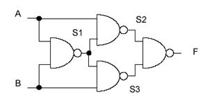
Ejemplo de implementación:
Se
implementara una compuerta EXOR, usando 4 puertas NAND.

El Código
para una compuerta NAND, es el siguiente:

Para
que finalmente tengamos el EXOR, se usan 4 módulos del tipo NAND, simplemente
llamando al modulo NAND.

Para
Probar nuestro EXOR, esta el siguiente codigo, que
simula las entradas al EXOR.

El siguiente
código, monitorea la salida del EXOR.
![Cuadro de texto: #include “systemc.h”
#include “stim.h”
#include “exor2.h”
#include “mon.h”
int sc_main (int argc, char* argv [])
{
sc_signal<bool> Asig, Bsig, Fsig;
sc_clock TestClk(“TestClock”, 10, SC_NS_0.5);
stim Stim1(“Stimulus”);
Stim1.A(Asig);
Stim1.B(Bsig);
Stim1.Clk(TestClk);
Exor2 DUT(“exor2”);
DUT.A(Asig) ;
DUT.B(Bsig) ;
DUT.F(Fsig) ;
mon Monitor1(“Monitor”)
Monitor1.A(Asig);
Monitor1.B(Bsig);
Monitor1.F(Fsig);
Monitor1.Clk(TestClk);
sc_start() ;
return 0;
}](ejemplo_archivos/image006.gif)
La
salida por consola, es la siguiente:
Time A B F
0 s 0 0 1
10 ns 0 0 0
20 ns 0 1 1
30 ns 1 0 1
40 ns 1 1 0